




| Ozonation Parameters | Diffusion In A Tank | On Line Injection | Recirculation Tank |
| Ozonation System | Ozone Diffused in the Bottom of the reaction tank | Ozone injected through Online Ventury Injection System in filling line | Ozone is injected in a re- circulation line by Ventury Injector and the Ozone Solution is Diffused in the Ozonation Tank |
| Ozonation Method | By Diffusion | Ventury Injection | Ventury Injection & diffusion combination |
| Ozone Contact Duration | Can be Controlled | Not under Control | Fully Controllable |
| Dissolution Efficiency | Low and depends on Water depth in the diffusion Tank | High and depends on the continuity of the production process | Very high & consistent, does not depend on operating parameters |
| Ozone & Water Flow | Counter Current | Counter Current | Counter Current in recirculation Line & Counter Current in Diffusion. |
| Dissolution Continuity Continuous | Dissolution Continuous Even when filling is not in operation | Dissolution Stops When ever filling is not operating | Dissolution Even when filling is not in operation |
| Ozone Utilization | Low (30 - 50% ) | Medium (40 - 60% ) | High ( 65 - 95%) |
| Dependency of Ozonation | Water Depth Ozone Pressure | Water Flow Rate Differ, Pressure across Ventury | Independent of : Water Flow Rate Line Pressure Ozone Pressure Filling yes or no |
| Qty of Ozone Injection | By Ozone Pressure | Not Under Control | By Ozone Pressure |
| Dissolution Consistency | Consistent Ozone Dissolution is Possible | Consistent Ozone Dissolution is not possible | Very Consistent Ozone Dissolution can be achieved |
| Product Quality | Reasonable | Inconsistent | Consistent Quality |
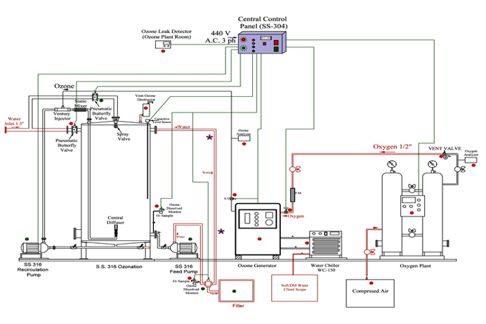
| System Components | Ozone Pipe | Ozone Pipe | SS Ozonation Tank |
| Recirculation Pump | |||
| Ventury & NRV | Ventury & NRV | ||
| Diffusers | Static Mixer | ||
| Flow Control Valve | Radial Diffuser | ||
| Central Diffuser | |||
| Ozone sensing and Controlling System | Possible | Not Possible | Possible & Generally part of the System |
| Ozonation System Cost | Low | Medium | High |
having a rich experience in the field of Ozone and Ozone Applications
